Key Specifications
| Configuration | |
| Channels | 1 |
| Connector Series | SMA |
| Connector Shape | Straight |
| Connector Gender | Female |
| Electric Specifications | |
| Impedance | 50ohm |
| Frequency Range(From DC) | 18GHz |
| VSWR | ≤1.30:1 |
| Insertion Loss | <0.4dB |
| Average power capability | 200W@1GHz |
| Mechanical Characteristics | |
| Mating Cycles | ≥ 5000,000 cycles |
| Rotation Speed Max(rpm) | 300 |
| Environmental Characteristics (RoHS Complliant) | |
| Temperature Rating | -25°C ~ +65°C |
| Corrosion (Salt Spray) | MIL-STD-202, Method 101, Condition B |
| Vibration | MIL-STD-202, Method 204, Condition D, 20 Gs |
| Shock | MIL-STD-202, Method 213, Condition I, 100 Gs |
| Thermal Shock | MIL-STD-202, Method 107. Cond. B, -40°C to +85°C |
| Moisture Resistance | MIL-STD-202, Method 106, Less Step 7B |
| Barometric Pressure (Altitude) | MIL-STD-202, Method 105, Condition C, 70k Ft. |
| Shock | MIL-STD-202, Method 213, Condition I, 100 Gs |
| Thermal Shock | MIL-STD-202, Method 107. Cond. B, -40°C to +85°C |
| Moisture Resistance | MIL-STD-202, Method 106, Less Step 7B |
| Barometric Pressure (Altitude) | MIL-STD-202, Method 105, Condition C, 70k Ft. |
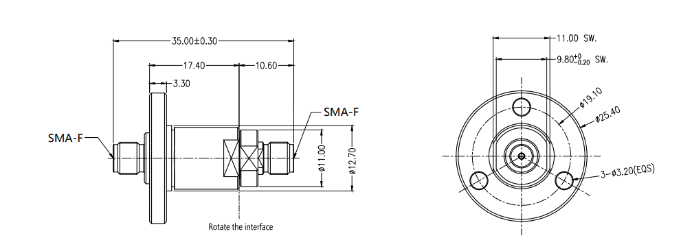
CAD Drawing
Dimensions in mm/ [inch], Tolerance +1%
Coaxial Cable Assembly
Microwave Test Cable
Coaxial RF Connector
Coaxial RF Adapter
Coaxial RF Termination
Coaxial RF Test Probe
Coaxial RF Attenuator
RF Switches
Rotary Joints
Coaxial RF Power Dividers